自動控制零件項目 Part item
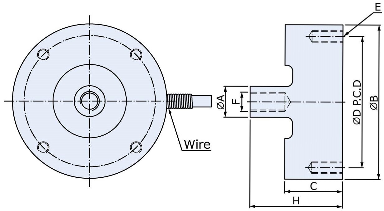
安裝尺寸 Installation Dimensions

功能說明 Function descrption
MLT荷重元係高精度力量感測器 , 使用應變規元件 , 變形量小精度高 , 所有感測電路均藏於金屬彈性體內 , 完全密封保護 , 不受外界干擾 , 穩定性高 , 體積非常小 , 容易安裝於結構體內 , 具以下特點 :
MLT load cell is precision , tinny and compact. The sensing element imbedded in the metal structure , and hermetically sealed. It is ideally used to force control automatic machine.
特點 Features
拉壓雙向 Bidirectional Rally
低雜訊 Noise Free
高剛性 Rigid
整體密封保護 Hermetically Sealed
輕薄設計 Light and thin design
MLT - 25 , 50 , 100 , 250 , 500 N
1 , 2.5 , 5 , 10 kN
規格 Specification

得豐實業有限公司
電話:02-8245-8609
E-mail :lin90777903@gmail.com
Copyright@2022 得豐實業有限公司,AIl Rights Reserved.



