自動控制零件項目 Part item
功能說明 Function descrption
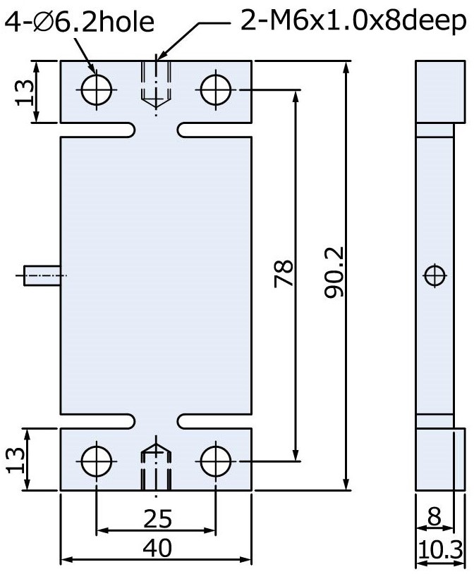
本型感測器係配合沖床結構而設計 , 並聯於結構體上 , 用以偵測結構受力變形量 , 安裝容易穩定性高 , 此感測器採用高強度合金鋼及應變規式感測元件 , 反應速度快 , 敏感度高 , 特別適用於沖床壓力之監測 , 具以下之特點 :
This SL load cell is a design for punch structure , and connects with structure. Made of high- strength alloy steel. It can detect the deformation , and it is easy installation and high sensitivity. Particularly suitable with punch pressure measurement.
特點 Features
密封保護 Moisture Hermetically Sealed
溫度補償 Thermally Compensated
安裝容易 Easy installtion
反應速度快 Fast response
規格 Specification

得豐實業有限公司
電話:02-8245-8609
E-mail :lin90777903@gmail.com
Copyright@2022 得豐實業有限公司,AIl Rights Reserved.



