自動控制零件項目 Part item
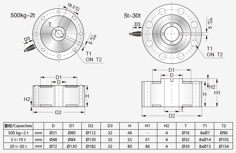
量程 Capacities
500 kg, 1 t, 2 t, 5 t, 10 t, 20 t, 30 t
接線方式 Schematic
紅色: +電源
黑色: -電源
白色: -信號
綠色: +信號

安裝尺寸 Installation Dimensions

技術參數 Specification
·額定輸出 3.0 mV/V ±0.25%
·可用溫度範圍 -35℃ to +70℃
·零點平衡 ±1% of rated output
·溫度補償範圍 -10℃ to +40℃
·潛變 ±0.03% of rated output
·安全載荷 150%
·非線性 ±0.05% of rated output
·輸入阻抗 385 ohm ± 5 ohm
·反應時間 ±0.05% of rated output
·輸出阻抗 350 ohm ± 3 ohm
·重複性 ±0.02% of rated output
·絕緣阻抗 ≧5000 M ohm (50V DC)
·靈敏度溫漂 ≦0.0015% of applied output /°C
·推薦電源電壓 10V DC/AC
·零點溫度 ≦0.0026% of rated output /°C
·最大電源電壓 15V DC/AC
· 導線長度 3 m ( 米 )
·導線材質 TPR電纜線
·導線規格 24 AWG
·導線類型 帶屏蔽網的四芯線
得豐實業有限公司
電話:02-8245-8609
E-mail :lin90777903@gmail.com
Copyright@2022 得豐實業有限公司,AIl Rights Reserved.


