自動控制零件項目 Part item
功能說明 Function descrption
LCH荷重元係專為值壓量測而設計之荷重元 , 採用圓柱形直壓
式結構 , 體積小 , 剛性強 , 結構穩固 , 一體成形設計 , 簡潔美觀
堅固耐用 , 非常適合用於壓入式力量量測 , 具以下特點 :
LCH load cell is a special deaign for press - in or press - out
force measurement. Consisted of spherical construction. so
it is small and rigid. In addition contained one - part simple
design. pretty shape strong and durable. Good ideal for using
in compressed force control.
特點 Features
純壓式 Only compression
安裝容易 Easy installation
體積小 Small size
高剛性 Rigid
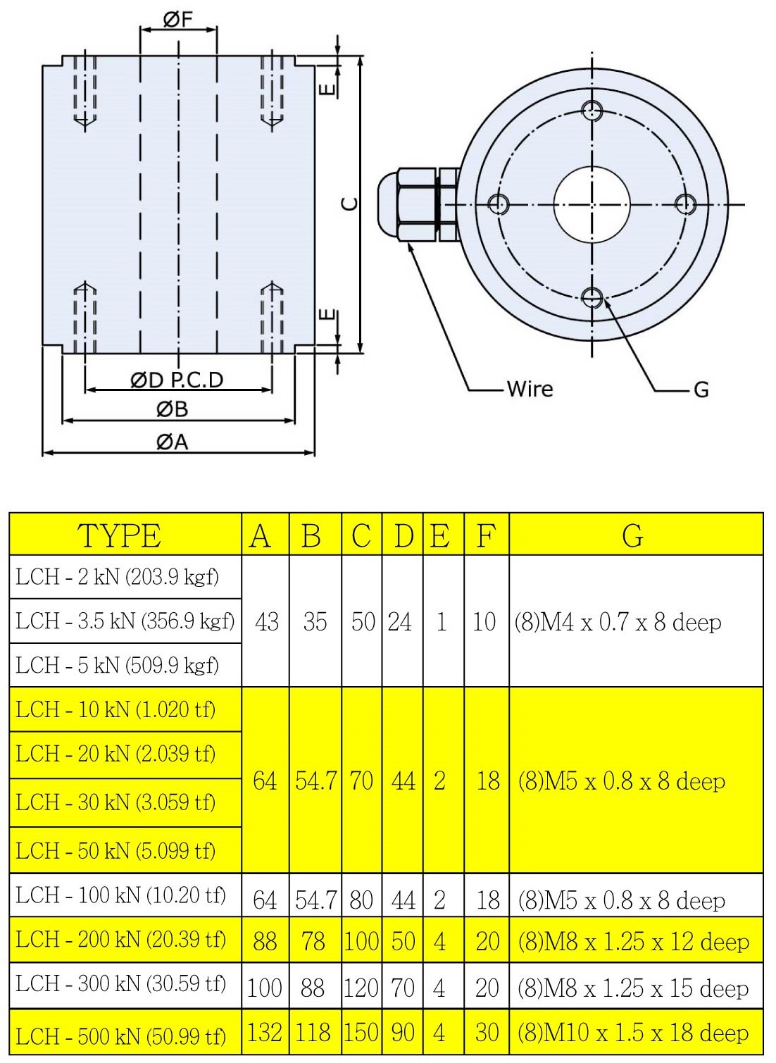
LCH - 2 , 3.5 , 5 , 10 , 20 , 30 , 50 , 100 , 200 , 300 , 500 kN
規格 Specification

得豐實業有限公司
電話:02-8245-8609
E-mail :lin90777903@gmail.com
Copyright@2022 得豐實業有限公司,AIl Rights Reserved.



