自動控制零件項目 Part item
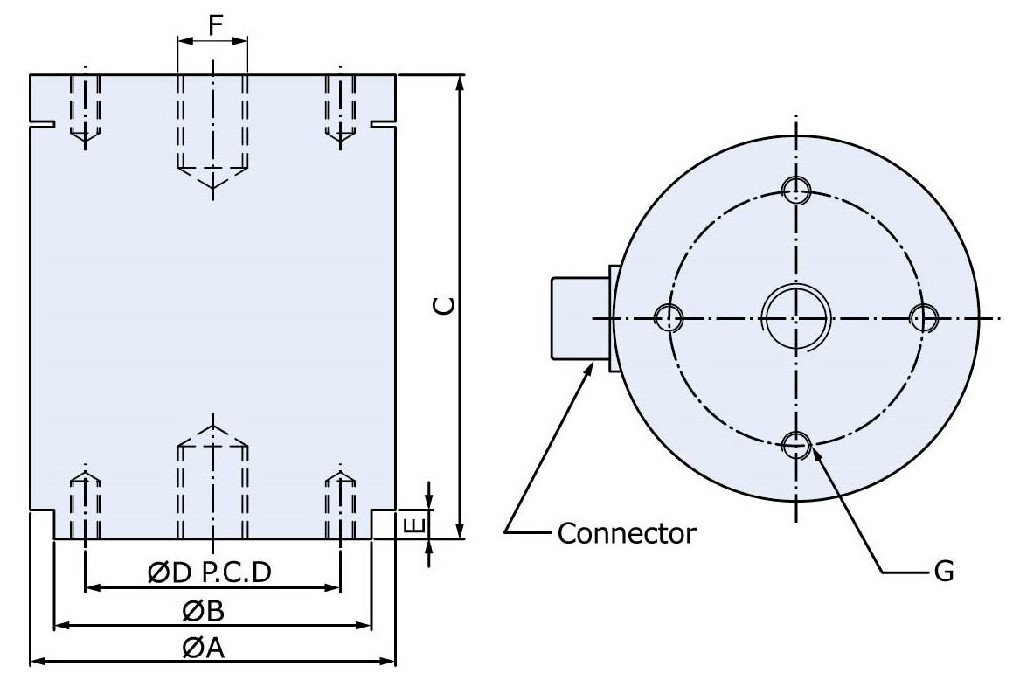
安裝尺寸 Installation Dimensions

功能說明 Function descrption
LRM型荷重元施力點與固定點在同一軸線上 , 並採用圓柱型結
構 , 安裝容易且非常穩固 , 本型荷重元並以外殼保護感應部份 ,
非常精確 , 堅固耐用 , 適用於吊秤及各式重量及力量量測上 ,具
有以下特點 :
This LRM type load cell let force and fixed point at the same
axis. Moreover, it constructed of spherical structure , it is very
stable and easy to install. An outer shell protects the sensing
element. Vrey high precession, rigid and durable.
特點 Features
拉壓兩用 Tension and compression
高精密 High accuracy
結構穩固 Stable and riqid
安裝容易 Easy installation
LRM - 20 , 50 , 100 , 200 , 350 , 500 N
1 , 2 , 3.5 , 5 , 10 , 20 , 30 , 50 , 100 kN
規格 Specification

得豐實業有限公司
電話:02-8245-8609
E-mail :lin90777903@gmail.com
Copyright@2022 得豐實業有限公司,AIl Rights Reserved.



