自動控制零件項目 Part item

ML型荷重元

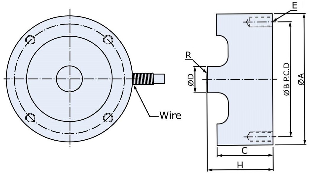
尺寸圖 Size chart

安裝尺寸 Installation Dimensions

功能說明 Function descrption

ML荷重元係高精度力量感測器 , 使用應變規元件 , 變形量小精度高 , 所有感測電路均藏於金屬彈性體內 , 完全密封保護不受外界干擾 , 穩定性高 , 具以下特點 :

ML load cell is precision , small and compact. The sensing element imbedded in the metal structure , and hermetically sealed. It is ideally use to force control machine , scales and general weight measurement.

特點 Features

高精度 High accuracy

溫度補償 Thermally compensated

剛性強 Rigid

整體密封保護 Hermetically Sealed

輕薄設計 Light and thin design

ML - 25 , 50 , 100 , 250 , 500 N

1 , 2.5 , 5 , 10 , 20 , 30 , 50 kN


規格 Specification