自動控制零件項目 Part item
功能說明 Function descrption
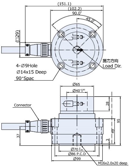
本型TO張力側壓器 , 採用高敏感梁式感應結構及軸端之安裝方式 , 使安裝更為容易並使力量感應達到最高之精度與敏感度特別適用於自動化機械之張力量測與控制上 , 具以下特點 :
This shaft - end tension load cell is made of high sensitivity beam structure as sensing element and use tool material to increase overload capacity. It mounting is easy installation. Thus , it is accurate and durable for using to tension force measurement and control process.
特點 Features
合金鋼本體 Tool steel material
高精度 High accuracy
安裝容易 Easy installation
TO - 100 N(10.20 kgf ) , 250 N(25.49 kgf ) , 500 N(50.99 kgf ),
1 kN(102.0 kgf ) , 2 kN(203.9 kgf ) , 3.5 kN(356.9 kgf ),
5 kN(509.9 kgf )
規格 Specification

得豐實業有限公司
電話:02-8245-8609
E-mail :lin90777903@gmail.com
Copyright@2022 得豐實業有限公司,AIl Rights Reserved.



